Aplicarea sistemului informatic medical Acrel în spitalele din Malaezia
Acasă / Proiecte / Spitalul / Aplicarea sistemului informatic medical Acrel în spitalele din Malaezia

Aplicarea sistemului informatic medical Acrel în spitalele din Malaezia

Odată cu utilizarea în creștere a echipamentelor medicale electronice în spitale, riscul de scurgere a curentului reprezintă amenințări semnificative la adresa siguranței pacienților, în special în mediile de îngrijire critică. În timpul procedurilor chirurgicale sau anesteziei, pacienții sunt conectați direct la diverși electrozi și senzori. Chiar și curenții de scurgere minimi pot provoca șoc electric atunci când dispozitivele medicale sunt în contact direct cu corpul uman.

În plus, echipamentele de susținere a vieții pentru pacienții în stare critică trebuie să mențină funcționarea neîntreruptă. Orice întrerupere a curentului electric ar putea pune imediat în pericol viața pacienților. Prin urmare, sistemele electrice ale spitalelor trebuie să respecte cu strictețe standardele naționale prin implementarea sistemelor IT de alimentare cu energie în zonele desemnate.

Acest studiu de caz demonstrează aplicarea sistemului de alimentare cu energie izolată medical Acrel în Malaezia, cu:

Distribuția energiei IT medicale

Dispozitive de monitorizare a izolației

Sisteme de localizare a erorilor

Contactați-ne
  • Prezentare generală a proiectului
  • Prezentare generală a proiectului
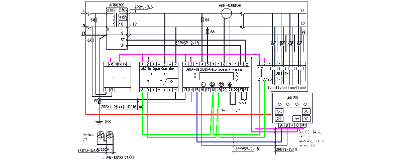
    Malaysia I.E.D este situat în SELANGOR DARUL EHSAN, proiectul este utilizat în principal în spitalul insular din Malaezia, produsele sunt utilizate pentru locația defecțiunilor de izolație cu 12 circuite pentru 3 seturi de sistem de alimentare izolat de spital, produsele aferente sunt dispozitivul de monitorizare a izolației AIM-M200, generatorul de testare a semnalului ASG150, indicatorul de alarmă centralizat AID1508, localizator de defecțiuni centralizate AID1508, AIL150-4 și transformator de curent de scurgere AKH-0.66P26.


    Introducere în sistemul informatic medical
    Dispozitivul de monitorizare a izolației sistemului informatic medical ACREL și sistemul de localizare a defecțiunilor este potrivit pentru sala de operație a spitalului, ICU (CCU) și alte locuri importante și poate oferi un loc sigur pentru astfel de soluții de alimentare continue și fiabile.


    Soluție de alimentare pentru locații medicale
    Soluții de distribuție a secțiilor ICU, CCU (GGF-I8G, diagrama sistemului de dulap electric izolat, de exemplu)


    Opțiunea I fără funcție de localizare a defecțiunii


    Opțiunea II cu funcție de localizare a defecțiunii

    NOTĂ: În soluțiile de distribuție a energiei electrice ale unității de terapie intensivă, dispozitivul centralizat de alarmă și afișare din seria AID trebuie instalat în stația de asistenți medicali, personalul spitalului din stația de asistenți medicali monitorizează starea de funcționare a fiecărui sistem de alimentare izolat.


    Soluții de distribuție a sălii de operație (schema sistemului de dulap electric izolat GGF-O8G, de exemplu)

    Opțiunea I fără funcție de localizare a defecțiunilor de izolație


    Opțiunea II cu funcție de localizare a defecțiunilor de izolație

    1. În soluțiile de distribuție a energiei din sala de operație, seria AID de dispozitive externe de alarmă și afișare ar trebui instalată pe panoul de inteligență din interiorul sălii de operație sau lângă panoul de inteligență (instalare montată pe perete). În timpul intervenției chirurgicale, personalul medical monitorizează starea de sănătate a sistemului de alimentare izolat.

    2. În schema cu funcție de localizare a defecțiunilor de izolație, dacă numărul de canale localizate este mai mare de opt, se pot utiliza două seturi de localizatori AIL150. Combinația poate fi AIL150-8 și AIL150-4 (până la 12 canale) sau AIL150 -8 și AIL150-8 (până la 16 canale).

    3. Schema de cablare tipică






    4. Introducerea IT medical în 7 piese

    Numele și tipul produsului Poza produsului Descriere
    Transformator de izolare medicală seria AITR Transformatorul de izolare din seria AITR este utilizat în special în sisteme informatice medicale. Înfășurările sunt tratate cu izolație dublă și au un strat de ecranare electrostatică, care reduce interferența electromagnetică dintre înfășurări. Senzorul de temperatură PT100 este instalat în punga de sârmă pentru a monitoriza temperatura transformatorului. Întregul corp este tratat cu vopsea de invazie cu vid, care crește rezistența mecanică și rezistența la coroziune. Produsul are performanțe bune de creștere a temperaturii și zgomot foarte scăzut.
    Instrument medical inteligent de monitorizare a izolației AIM-M200 Instrumentul medical de monitorizare a izolației inteligente AIM-M200 adoptă o tehnologie avansată de microcontroler, care are o integrare ridicată, dimensiune compactă, instalare convenabilă și integrează itelligence, digitalizare și rețea într-unul singur. Este selecția ideală pentru monitorizarea izolației sistemelor de alimentare izolate în locații medicale de clasa 2, cum ar fi sala de operație și unitățile de terapie intensivă.
    AKH-0.66P26 transformator de curent Transformatorul de curent de tip AKH-O 66P26 este transformatorul de curent de protecție care suportă monitorul de izolație AIM-M200, din care curentul maxim măsurabil este de 60A și raportul de transformare este de 2000:1. Transformatorul de curent este fixat direct în interiorul dulapului prin înșurubare, iar partea secundară este condusă de terminal, care este convenabil de instalat și utilizat.
    Localizator defecțiuni de izolație AIL150-4/AIL150-8 Localizator defecțiuni de izolație AIL150-4/AIL150-8 adopts high sensitivity transformer combined with a high precision signal detecting circuit, which detects the signal imported into the system from the ASG150 test signal generator and accurately locates the circuits which have insulation faults. AIL150-4 insulation fault locator can locate the insulation faults of 4 circuits, and the AIL150-8 insulation fault locator can locate the insulation faults of 8 circuits.
    Generator de semnal de testare ASG150 Generatorul de semnal de testare ASG150 adoptă un cip cu microprocesor pe 32 de biți și un circuit de generare a semnalului de înaltă precizie pentru a realiza generarea semnalului de testare specific. Atunci când sistemul IT monitorizat are defecțiuni de izolație, acesta poate porni și produce un semnal de testare la timp, lucrând cu locatorul defecțiunilor de izolație pentru a realiza locația defectului de izolație.
    Modul de alimentare HDR-60-24 Sursa de alimentare cu curent continuu HDR-60-24 poate furniza simultan o sursă de alimentare de 24 V CC pentru AIM-M200
    Instrument medical inteligent de monitorizare a izolației, generator de semnal de testare ASG150, localizator de defecțiuni de izolație seria AIL150 și instrument centralizat de alarmă și afișare AID150.
    AID1 50 instrument centralizat de alarmă și afișare Instrumentul centralizat de alarmă și afișare AID150 adoptă afișajul cu cristale lichide LCD și realizează schimbul de date cu instrumentul medical inteligent de monitorizare a izolației AIM-M200 prin interfața de comunicare RS485, care poate monitoriza în timp real datele multi-canal ale instrumentului medical inteligent de monitorizare a izolației AIM-M200.

    Fotografii la fața locului



Acrel Co., Ltd.