Curent nominal 80A direct
Certificat MID
Clasa C de înaltă precizie
Montat pe șină DIN de 35 mm
Ieșire impuls
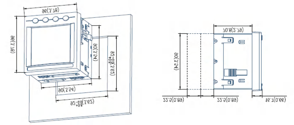
4 module 72mm latime
Pentru managementul energiei IoT, fabrică, școală
Măsurători RMS adevărat
THD cu 63rd armonici
K-Factor și Crest Factor
Dezechilibru și unghiuri de fază
Cereri și energie Multi-Tarif
Înregistrare max/min cu timestamp
+86-18702106858 / +86-21-69156352
APM810 este un contor de panou multifuncțional AC trifazat de clasă 0.2S proiectat pentru monitorizarea precisă a energiei, diagnosticarea calității energiei și subfacturarea chiriașilor în tablourile de distribuție industriale, comerciale și de centre de date. Carcasa compactă DIN de 96×96 mm găzduiește un ecran tactil color TFT care afișează tensiune RMS reală la 690 V, curent, frecvență, putere activă/reactivă/aparentă, PF, cerere, armonici la 63, THD și kWh/kvarh în patru cadrane. Dual RS485 Modbus-RTU, Ethernet TCP/IP, BACnet/IP, SNMP și Wi-Fi/LoRa opțional oferă o integrare perfectă BMS/EMS, în timp ce 4 MB de memorie integrată înregistrează profiluri de încărcare pe 12 luni pentru auditurile energetice. Alarmele configurabile de supra/subtensiune, curent, PF și armonice antrenează ieșirile releului sau intrările digitale pentru control inteligent întrerupător; Registrele de puls, SOE și tarif TOU acceptă aplicații AMI de utilitate, contorizare rețea solară și aplicații de încărcare EV. Lată 3×57,7–690 V, 0,001–10 A conexiune directă sau CT/VT plus etanșare anti-falsificare se potrivește oricărei implementări de rețea inteligentă sau micro-rețea.
| Parametrii tehnici | Valoare | |||
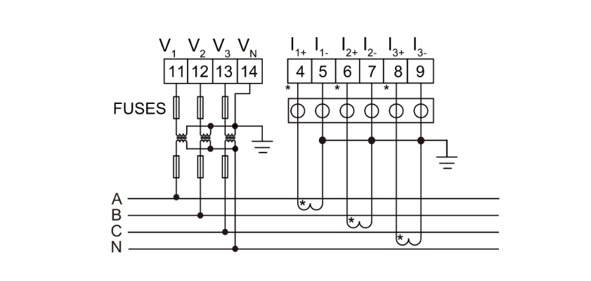
| Intrare | Conexiune | Monofazat-2 fire, 3-fazat-3-fire, 3-fazat-4 fire | ||
| Frecvența | 45-65 Hz | |||
| Tensiune | Evaluare: | |||
| monofazat : AC 100V、400V | ||||
| Trifazat: AC 3×57,7V/100V(100V)、3×220V/380V(400V)、3×380V/660V(660V)(doar dimensiunea 96) | ||||
| Supraîncărcare: rating de 1,2 ori {continuu): rating de 2 ori pentru 1 secundă | ||||
| Consum de energie: < 0,5VA | ||||
| Curent | Evaluare: AC IA、5A | |||
| Supraîncărcare: evaluare de 1,2 ori (continuu); evaluare de 10 ori pentru 1 secundă | ||||
| Consum de energie: < 0,5VA | ||||
| Ieșire | Energie electrică | Ieșire mode:open-collector photo-coupler pulse | ||
| Constante de puls: 10000imp/kWh (setabil), consultați schema de conexiuni pentru detalii; | ||||
| Comunicare | Port RS485, protocol Modbus -RTU, protocol DLT645 (versiunile 07 și 97), | |||
| Rata baud 1200 ~ 38400 | ||||
| Funcția | Intrare de comutare | Intrare contact uscat, sursă de alimentare încorporată; dacă modelul este KA, este activ 220V AC. | ||
| Ieșire de comutare | Ieșire mode: Relay normally open contact output | |||
| Capacitate de contact: AC 250V/3A、 DC 30V/3A | ||||
| Ieșire analogică | 4 - 20mA | |||
| Clasa de precizie | Frecvența:0.05Hz,Current、Voltage:0.2 class,Reactive power:l .0class,Reactive Electric energy:l .0class, active power:0.5class,active electric energy: 0.5class,2-31th harmonic measurement:±1% | |||
| Sursa de alimentare | AC/DC 85-265V sau DC24V(±20%)sau DC48V(±20%) | |||
| consum de energie ≤10VA | ||||
| Securitate | Tensiunea de rezistență a frecvenței de alimentare | Între sursă de alimentare//Ieșire de comutare// Intrare curent//Intrare de tensiune și transmisie// Comunicare //Ieșire impuls//intrare comutare AC 2 kV 1min; | ||
| Între sursa de alimentare, ieșire comutatoare, intrare curentă, intrare tensiune AC 2 kV 1 min; | ||||
| Între transmisie, comunicație, ieșire impuls, intrare comutatoare AC 1kV 1 min; | ||||
| Rezistenta de izolare | Intrare、Output end to machine enclosure >100MΩ | |||
| Mediul | Temperatura | lucru: -25°C~ 65°C pastrare: -40°C ~ 80°C | ||
| Umiditate | ≤93%RH fără condensare | |||
| Altitudinea | ≤2500m | |||
Soluție de monitorizare a puterii
Fondată în 2003, Acrel Co., Ltd.【Cod Stoc: 300286.SZ】 este o întreprindere de înaltă tehnologie specializata in solutii de management energetic și siguranța electrică. Cu sediul în Shanghai, Acrel oferă soluții inovatoare și durabile pentru microgrid eficiența energetică și siguranța electrică. Cu peste 600 de brevete și drepturi de autor de software, Acrel a implementat mai mult de 28.000 de soluții de sistem la nivel global, formând o cuprinzătoare "cloud-marginea-end" de energie arhitecturii internetului.
Acrel Co., Ltd. este China En-Gros Contor de energie montat pe panou, trifazat, programabil Producătorii și Contor de energie montat pe panou, trifazat, programabil Fabrica. Acrel integrată a produsului ecosistem se întinde de la platforma de cloud software pentru utilizatorul final componente, acoperind sectoare precum energie, energia din surse regenerabile, centre de date, clădiri inteligente, transport, și orașe inteligente. Aceste soluții permit inteligente, în timp real de gestionare a energiei, consolidarea securității energetice și reducerea costurilor operaționale. Oferim Contor de energie montat pe panou, trifazat, programabil de vanzare.
Compania de producție, Jiangsu Acrel Electric Manufacturing Co., Ltd., aderă la standarde stricte de calitate și de mediu orientări, cu avansate centre de testare și un angajament de a lead-free a proceselor de producție. Acrel echipa de peste 500 de ingineri oferă de ultimă oră de eficiență energetică și sisteme energetice inteligente soluții.
Cu o puternică prezență internă, Acrel se extinde în mod activ pe plan internațional, susținută de o rețea globală de vânzări și echipele tehnice si o platforma de e-commerce care asigură servicii fără sincope experiențe din întreaga lume. Acrel este mândru de a ajuta întreprinderile îmbunătăți eficiența, a reduce consumul, și pentru a atinge obiectivele de sustenabilitate.
Împreună, construim un inteligent, viitor mai verde.
Autorizat De Brevete
0+Numărul de Clienți Servit
0+Numărul Total De Salariați
0+Baza De Producție
0m²Bine ați venit să vă conectați În contextul dezvoltării rapide a noii industrii energetice, scenarii precum stocarea energiei comerciale și industriale , stații de schimb de baterii , și sisteme de stocare fotovoltaice de uz casnic au pus cereri mai mari asupra ac...
Citeste Mai MultContextul industriei și importanța aplicațiilor Barele colectoare servesc ca coloană vertebrală a sistemelor de distribuție electrică în industrii, de la comutatoare, acționări industriale, invertoare de energie regenerabilă, sisteme de stocare a energiei bateriei (BESS) și electronice de pute...
Citeste Mai MultContextul industriei și importanța aplicațiilor Adoptarea rapidă a vehiculelor electrice (EV) generează noi cerințe de infrastructură în medii rezidențiale cu mai mulți chiriași, cum ar fi complexe de apartamente, clădiri cu utilizare mixtă și locuințe multifamiliale. Spre deosebire de casele ...
Citeste Mai Mult