Bine ați venit să vă conectați
În contextul dezvoltării rapide a noii industrii energetice, scenarii precum stocarea energiei comerciale și industriale , stații de schimb de baterii , și sisteme de stocare fotovoltaice de uz casnic au pus cereri mai mari asupra acuratețe, compatibilitate și inteligență de contorizarea energiei electrice . Acrel Electric a dezvoltat o gamă completă de soluții noi de instrumentare care sprijină energie. Aceste soluții sunt proiectate la comandă pentru cerințele de bază ale diferitelor scenarii de aplicație, acoperind nevoile de contorizare de la aplicații casnice cu putere redusă până la sisteme industriale și comerciale de stocare a energiei pe scară largă. Soluțiile oferă suport de încredere pentru funcționarea stabilă și măsurarea precisă a noilor sisteme energetice.
Fotovoltaica rezidentiala si stocarea energiei reprezinta un scenariu de aplicare important pentru popularizarea energiei noi. Acrel a dezvoltat instrumente extrem de compatibile care vizează diferite subscenarii, inclusiv potrivirea invertorului de stocare a energiei, integrarea invertoarelor hibride, sisteme de stocare fotovoltaice de balcon și sisteme de transmisie transparentă punct la punct de stocare a microenergiei . Aceste produse echilibrează integrarea, viteza de măsurare și flexibilitatea comunicării.
Ca răspuns la caracteristicile pieței de compatibilitate cu mai multe mărci în sistemele fotovoltaice și de stocare a energiei, configurația RS485 CT este adoptată pentru a se adapta condițiilor de instalare incerte pentru agenții profesioniști. Instrumentele sunt certificate cu certificări internaționale CE-MID, UL și RCM. Cu o rată de reîmprospătare a datelor de mare viteză de 50 ms, dispozitivele acceptă și ajustarea secvenței fazelor, asigurând o măsurare precisă și o compatibilitate puternică.
Pentru cerințele ridicate de integrare a proiectelor de invertoare de stocare a energiei all-in-one și cerințele de contorizare cu două canale în scenariile de modernizare, instrumentele sunt echipate cu terminale de conectare rapidă de tensiune și curent și porturi de comunicație RJ45. Aceștia acceptă, de asemenea, rate de reîmprospătare a datelor de 50 ms și ajustarea secvenței fazelor, împreună cu un sistem cuprinzător de certificare, făcându-le potrivite atât pentru modernizare, cât și pentru scenarii noi de instalare.
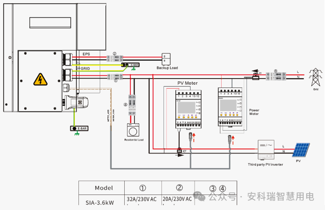
Proiectată special pentru sisteme fotovoltaice distribuite de energie redusă și de stocare a energiei pe balcoane, această soluție echilibrează integrarea ridicată cu instalarea și punerea în funcțiune convenabilă. Pe lângă contorizare cu două canale și terminale cu priză rapidă , suportă și Funcții de depanare WiFi, WiFi HaLow și Bluetooth . Designul wireless simplifică semnificativ instalarea în scenarii la scară mică, iar produsul deține certificarea CE-RED.
Pentru a aborda pătrundere slabă și performanță instabilă a rețelei de traditional WiFi in micro-energy storage scenarios, WiFi HaLow Se adoptă tehnologia de comunicare (Sub-1GHz). În comparație cu WiFi tradițional, oferă o capacitate de penetrare mai puternică și o distanță de transmisie mai mare. În comparație cu comunicarea LoRa, oferă viteză de transmisie mai mare și stabilitate mai bună. Instrumentul acceptă în mod nativ această tehnologie, necesitând doar un AP suplimentar pe partea invertorului pentru a permite comunicația fără fir. De asemenea, acceptă configurația de rețea rapidă one-to-one și one-to-many, făcându-l potrivit pentru sistemele de micro-stocare pentru balcon și multi-invertor de uz casnic.
Stocarea de energie industrială și comercială, stocarea energiei pe scară largă și stațiile de schimb de baterii necesită standarde stricte în ceea ce privește precizia măsurătorilor, viteza de reîmprospătare, flexibilitatea instalării și conformitatea cu reglementările. Acrel oferă instrumente încorporate și montate pe șină DIN, bazate pe cerințe cheie, cum ar fi facturare cu tarife multiple, contorizare a cererii, protecție anti-inversare a fluxului de energie și comunicare fără fir , care acceptă atât instalații noi, cât și aplicații de modernizare.
APM521 a obținut certificarea de peste mări CSA (UL) și oferă o precizie de măsurare a energiei active de până la 0,2s clasa (Clasa D). Este echipat cu stocare pe card SD pentru parametrii electrici în timp real. Designul modular al modulului de extindere al unității principale acceptă atât montarea încorporată, cât și pe șină DIN, îndeplinind cerințe diversificate de instalare în proiecte noi.
Acesta este un contor de clasă 0,5S cu CT extern, utilizat pe scară largă în aplicațiile clienților mari. Suportă cablarea secundară de modernizare a CT și poate bloca direct curentul secundar al transformatoarelor de curent existente, făcându-l foarte potrivit pentru proiectele de modernizare a contoarelor. Produsul deține certificări CPA, CE și UL și poate fi, de asemenea, personalizat într-o versiune de reîmprospătare de mare viteză pentru a îndeplini cerințele aplicațiilor de înaltă performanță.
În plus, soluțiile industriale și comerciale integrează și funcții de protecție la suprasarcină. Sistemul poate fi conectat la scenarii de stocare a energiei laterale de înaltă și joasă tensiune și poate funcționa cu contoare de energie electrică cu tarife multiple pentru a obține o contorizare precisă a energiei electrice sub diferite structuri tarifare, oferind suport complet de siguranță și management al energiei pentru sistemele de stocare a energiei industriale și comerciale și stațiile de schimb de baterii.
În contextul actualizărilor continue din noua industrie a energiei, Acrel va continua să se concentreze pe inovare și să își îmbunătățească în continuare noua tehnologie de instrumentare și sistem de produse care sprijină energia. Compania își propune să ofere mai eficient, mai inteligent și mai fiabil contorizarea energiei electrice solutions pentru stocarea energiei comerciale și industriale, stații de schimb de baterii și aplicații de stocare fotovoltaică de uz casnic, contribuind la promovarea dezvoltării de înaltă calitate a noii industriei energetice.
Copyright © Acrel Co., Ltd. Toate drepturile rezervate.
